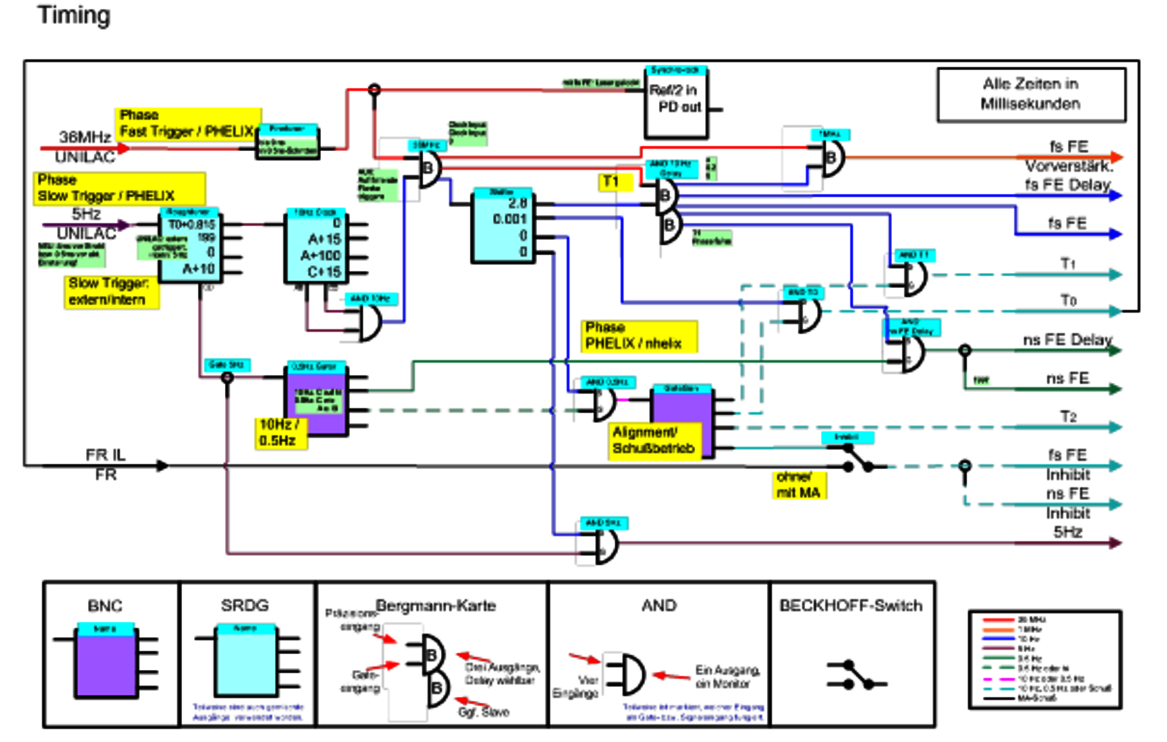
By use of the PHELIX timing system (PTS), internal sequences are controlled (namely the precise switching of pockels cells). Additionally the synchronization with the GSI accelerator is realized. Furthermore timing signals are distributed within the laser building to trigger diagnostic devices, for example.
Depending on the frontend in use, the 10 Hz- (short pulse-frontend) or 0.5 Hz-mode (long pulse-frontend) has to be selected. By use of the PTS only one laser pulse is coupled into the amplifier chain to create a high energy shot. Also the lamps of the amplifier heads are flashed at the right moment.
If PHELIX serves as light source for the external experimental area Z6, PHELIX can be triggered by the accelerator: The light pulse of PHELIX and a ion micro bunch can be synchronized with an accuracy of better than a nanosecond.
When working at the HHT experimental area, PHELIX is also controlled with time signals from the accelerator. This also works with an accuracy of better than one nanosecond.
All these settings can be made by use of the PHELIX control system PCS to configure the devices while the creation of signals is made by hardware only. The distribution is made by light fibres in order to minimize disturbances due to EMP during shots.







